MINUTERIE POUR INSOLEUSE A AFFICHEURS 7 SEGMENTS
FIGURE 1 - SCHÉMA ELECTRIQUE CIRCUIT DE COMMANDE
Cette minuterie peut décompter de 99 minutes et 59 secondes à 0.
Elle est identique au point de vu logiciel à la minuterie pour insoleuse à LCD.
Le schéma utilise l'oscillateur interne du microcontrôleur qui est assez précis pour insoler les PCB, mais comme les broches 13 et 14 sont laissés inoccupés, il peut être relié à un résonateur à quartz externe pour une meilleure précision.
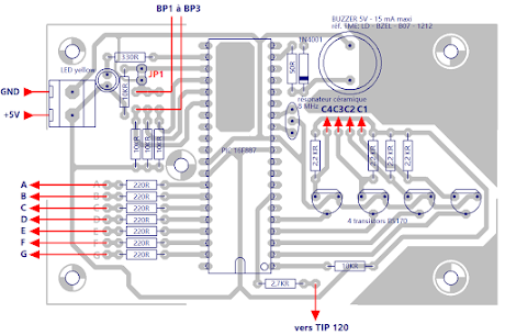
Il y a trois boutons pour faire fonctionner la minuterie : « START / STOP », « MINUTES + » et « SECONDES + ». START / STOP sert pour le démarrage et la pause de la minuterie. MINUTES + est pour le réglage des minutes. Les minutes peuvent aller jusqu'à 99, puis recommencent à 0. SECONDES + sert pour le réglage des secondes. Les secondes vont jusqu'à 59, puis commencent à 0. MINUTES + et SECONDES + ont une fonctionnalité de répétition.
Une pression sur les boutons MINUTES + et SECONDES + simultanément réinitialisera la minuterie. Lorsque la minuterie décompte et atteint 00:00, un signal sonore retentit 5 bip courts et 1 bip long, la LED clignotante jaune s'éteint et le compteur revient à la dernière valeur programmée.
Le signal sonore est de type électromagnétique de chez TME (voir le schéma électrique).
Après cela, l'un de ces trois boutons réinitialisera l'état et la LED GREEN s'allume (minuterie prête). Lorsque la minuterie compte à rebours RA5 (broche 7) est élevée, le relai colle et les tubes UV sont alimentés et lorsque le chronomètre est arrêté RA5 est faible et le relai décolle, les tubes UV ne sont plus alimentés.
Avec cette broche, j'ai utilisé un relai qui sera connecté à un transistor pour allumer ou éteindre les tubes UV.
Quand le cavalier JP1 est mis, nous passons en mode étalonnage de la minuterie. Avec les boutons MINUTES + et SECONDES + nous pouvons augmenter ou diminuer la valeur des paramètres internes qui ralentit ou accélère la minuterie. La valeur par défaut est de 977. Cette valeur est stockée dans la mémoire EEPROM.
En retirant le cavalier JP1 et en appuyant sur la touche START / STOP la minuterie revient en mode normal.FIGURE 2 (Implantation des composants platine principale)
FIGURE 3 (Implantation des composants platine affichage)
Le code est écrit et compilé avec mikroC PRO pour PIC.
Fréquence de l’oscillateur : 4,000000 MHz
Le fichier. hex a été programmé dans le microcontrôleur avec mon clone de PICkit2 en utilisant le « programme PICkit2 » v.2.61
Pour celles ou ceux que ce montage intéressent envoyez moi un mail. Il vous sera envoyé gratuitement un dossier complet pour la réalisation avec les typons en pdf et word à l'échelle 1.
mail: mickvarenne@free.fr
PS: Je peux éventuellement vous programmer gratuitement le PIC si vous ne pouvez pas le faire vous-même, me consulter.



